Бензиновая снегоуборочная машина SB 650 E, 6,5 л.с, Loncin, с электростартером, фара Denzel
Категории: Снегоуборочные машины
Обзор
- Предназначена для уборки снега с открытых поверхностей с твердым покрытием.
Характеристики
| Производитель | DENZEL |
| Вес | 69 кг |
| Мощность двигателя | 6.5 л. с. |
Обслуживаемое оборудование
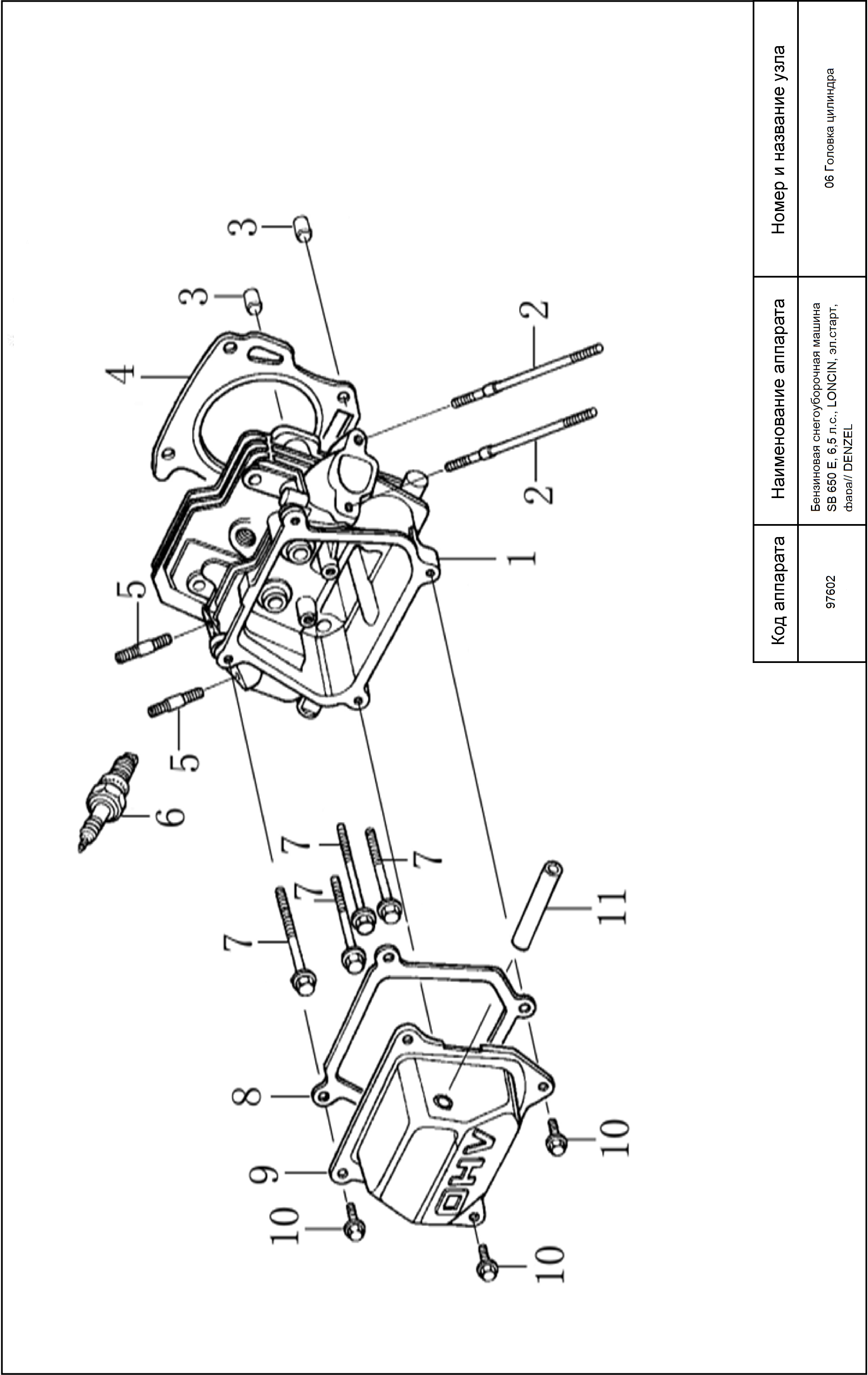
Запасные части


















